|
公司基本資料信息
|
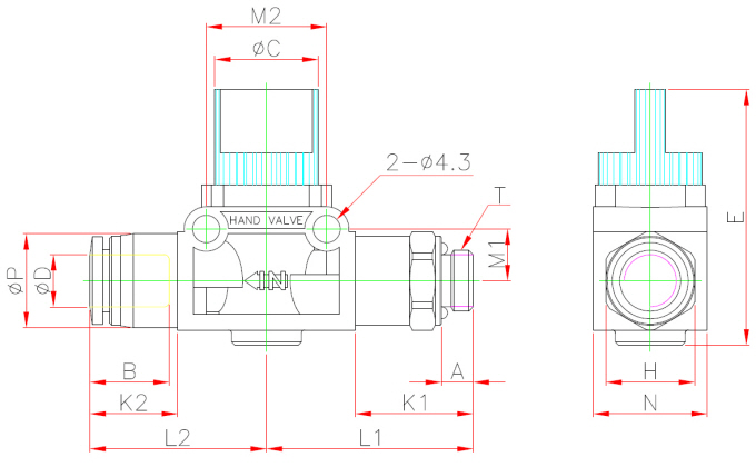
|||||||||||||||
HVFG02-10,HVFG03-10,HVFG02-12,HVFG03-12,HVFG04-12,
| Model | T | ∅D | H(Hex) | ∅P | ∅C | N | E | A | B | K1 | K2 | L1 | L2 | M1 | M2 | WEIGHT(g) | EA(BOX) |
| HVFG01-06 | G 1/8 | 6 | 14 | 12.5 | 16.3 | 18 | 40.3 | 5 | 16.4 | 18.6 | 12.3 | 32.6 | 26.3 | 8.2 | 19 | 37 | 25 |
| HVFG02-06 | G 1/4 | 6 | 17 | 12.5 | 16.3 | 18 | 40.3 | 6.5 | 16.4 | 20.6 | 12.3 | 34.6 | 26.3 | 8.2 | 19 | 37 | 25 |
| HVFG03-06 | G 3/8 | 6 | 20 | 12.5 | 16.3 | 18 | 40.3 | 6.5 | 16.4 | 20.1 | 12.3 | 34.1 | 26.3 | 8.2 | 19 | 47 | 25 |
| HVFG01-08 | G 1/8 | 8 | 14 | 14.8 | 16.3 | 18 | 40.3 | 5 | 18.7 | 18.6 | 13.9 | 32.6 | 27.9 | 8.2 | 19 | 35 | 25 |
| HVFG02-08 | G 1/4 | 8 | 17 | 14.8 | 16.3 | 18 | 40.3 | 6.5 | 18.7 | 20.6 | 13.9 | 34.6 | 27.9 | 8.2 | 19 | 41 | 25 |
| HVFG03-08 | G 3/8 | 8 | 20 | 14.8 | 16.3 | 18 | 40.3 | 6.5 | 18.7 | 20.1 | 13.9 | 34.1 | 27.9 | 8.2 | 19 | 48 | 25 |
| HVFG02-10 | G 1/4 | 10 | 17 | 17.5 | 19.3 | 21.2 | 40.5 | 6.5 | 20.1 | 19 | 14.4 | 35 | 30.9 | 10.9 | 24 | 58 | 20 |
| HVFG03-10 | G 3/8 | 10 | 20 | 17.5 | 19.3 | 21.2 | 40.5 | 6.5 | 20.1 | 18.5 | 14.4 | 35 | 30.9 | 10.9 | 24 | 61 | 20 |
| HVFG04-10 | G 1/2 | 10 | 24 | 17.5 | 19.3 | 21.2 | 40.5 | 8 | 20.1 | 20 | 14.4 | 36.5 | 30.9 | 10.9 | 24 | 82 | 20 |
| HVFG02-12 | G 1/4 | 12 | 19 | 20.5 | 19.3 | 21.2 | 40.5 | 6.5 | 22.8 | 20.6 | 17.6 | 37.1 | 34.1 | 10.9 | 24 | 69 | 20 |
| HVFG03-12 | G 3/8 | 12 | 20 | 20.5 | 19.3 | 21.2 | 40.5 | 6.5 | 22.8 | 20.1 | 17.6 | 36.6 | 34.1 | 10.9 | 24 | 68 | 20 |
| HVFG04-12 | G 1/2 | 12 | 24 | 20.5 | 19.3 | 21.2 | 40.5 | 8 | 22.8 | 21.6 | 17.6 | 38.1 | 34.1 | 10.9 | 24 | 76 | 20 |
外形尺寸
